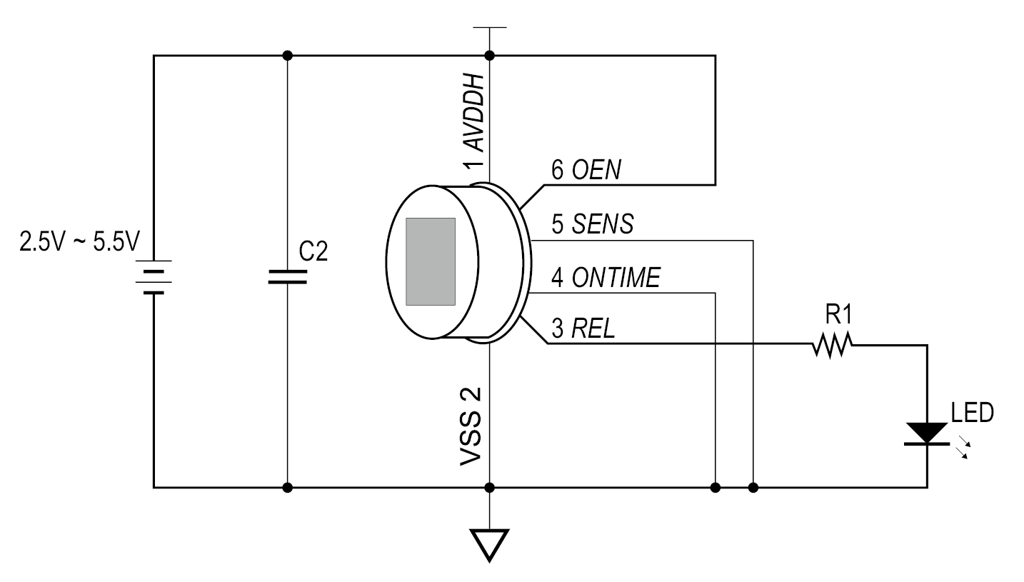
JHM5001 is a signal conditioning integrated circuit designed for Passive Infra-Red (PIR) sensors. The PIR sensor can feel the changing infrared signal. JHM5001 can amplify the weak charge generated by the PIR sensor and convert it into a 16-bit digital signal by the internal ADC of the chip. After the digital filter is processed, the algorithm unit determines whether the change of the PIR signal is caused by the outside world. It is generated by the movement of the human body and outputs a digital signal through the REL pin. The sensitivity and delay parameters of the PIR sensor to detect motion can be set by applying voltage to the SENS and ONTIME pins of the chip respectively, and the voltage will be converted into a 7-bit digital signal by the internal ADC.


Features
Based on digital signal processing
Integrated on chip voltage regulator, suitable for 2.5V ~ 5.5V supply voltage
Low power consumption, current ~ 30uA
Insensitive to RF interference
Input pin with adjustable sensitivity and on time
With light detection input pin, can prevent white light interference
With switch or relay control output pin and LED control output pin
Short stable time after power on
Available in DFN8 and SOP8


Minimum circuit schematic for LED indication with intelligent PIR sensor.